电动阀门接线方式是根据不同的使用要求以及现场工况不同所分类的,不同功能的电动执行器所采用的接线方式也都是不尽相同。用户应当对接线方面的相关知识有所了解,以免出现不必要的故障发生,一方面导致整个电路短路故障;另一方面,可能会导致机器等烧坏而产生的巨大经济损失,甚至出现更严重的事故。
电动阀门执行器按电源电压一般可分交流(AC110V、AC220V、AC380V),直流(DC24V、DC12V),按控制方式分为有源开关式、无源开关式、电位计型、防爆型、调节型等。(相关产品:电动开关蝶阀 电动调节蝶阀 电动开关球阀 电动调节球阀)
![]() 有源开关式,普通开关型带有源灯指示接线图 | ![]() 无源开关式,开关型无源触点型带反馈接线图 |
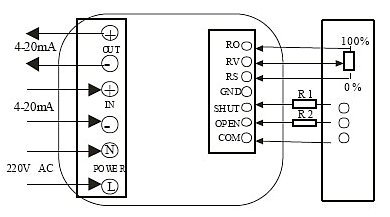
开度式电位计型,开关型带开度式接线图 | ![]() 智能调节式,输入输出4-20mA,智能调节型接线图 |
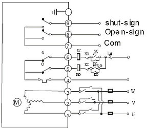
![]() 交流AC380V,带无源触点反馈,380V电源接线图 | ![]() 直流DC24V ,交换正负正开关同时无源信号反馈,24V电源接线图 |
注意:以上线路图仅供参考,实际以产品附带电路图为准。另,每个厂*的电动装置均不一样,接线方式也都不尽相同,请勿以此为标准去执行操作,若产生一系列问题及发生相关事故,伟德概不负责,还望悉知!











