气动切断蝶阀简介:

气动切断蝶阀标准规范:
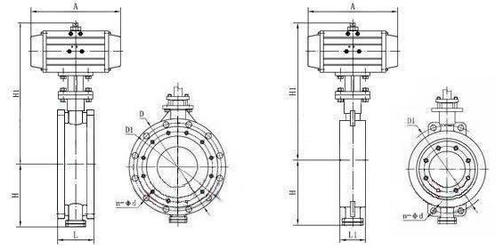
设计标准:GB/T2238-1989 法兰连接尺寸:GB/T9113.1-2000;GB/T9115.1-2000 结构长度:GB/T12221-1989 压力试验:GB/T13927-2000;JB/T9092-1999 适用介质:空气、水、污水、蒸气、煤气、油品等 强度试验:0.9 1.5 2.4 3.75 密封试验:0.66 1.1 1.76 2.75 低压气密试验:0.5~0.7 适用温度:软密封:-29℃~180℃ 硬密封:-40℃~600℃ | ![]() 气动开关蝶阀(法兰式) 气动开关型蝶阀(对夹式) |
| 公称通径 | DN50~DN1200(mm) |
| 压力等* | PN0.6、1.0、1.6、2.5、6.4MPa |
| 连接方式 | 法兰式或对夹式 |
| 动作范围 | 0-90° |
| 驱动方式 | 气动控*,气源驱动(可带手轮) |
| 供气压力 | 0.4~0.7MPa |
| 密封材质 | 金属密封、四氟密封、橡胶密封 |
| 工作场合 | 液体、蒸气、油品、腐蚀性介质等 |
| 控*方式 | 开关模式(开关两位切断)气开式、气关式、弹簧复位 |
| 附件选项 | 定位器、电磁阀、空气过滤减压器、保位阀、行程开关、阀位传送器、手轮机构等 |







